
1、MGP型排水器適用于不同壓力的各種工業煤氣架空管道。
2、該排水器必須采用壓力給水,給水量為2-4t/h。
3、排水器上設有蒸汽或氮氣吹掃接頭,為防止煤氣竄入蒸汽或氮氣管內只有在通蒸汽或氮氣時,才能把蒸汽或氮氣與煤氣和管道連通,停用時必須斷開或堵盲板。
4、排出冷凝水應集中處理。
5、設在露天的排水器在寒冷地區要采取防凍措施,設在室內的應有良好的自然通風。
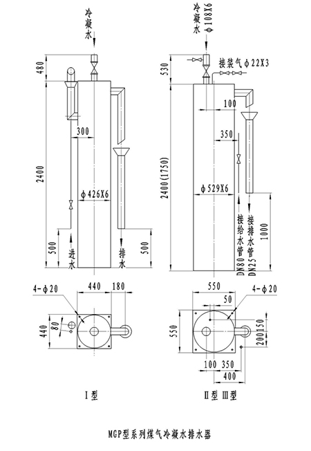
MGP型排水器系列規格選用表
| 型 號 | 允許煤氣 最高壓力 (Kpa) |
水封 高度 mm |
外形尺寸mm | 上水管 管徑 DN(mm) |
排水管 管徑 DN(mm) |
吹掃管 管徑 Φ×δmm |
煤氣冷凝水管徑 Φ×δmm |
|
| 筒外徑Φ | 筒高H | |||||||
| MGP-Ⅰ | 14.01 | 2000 | 426 | 2400 | 20 | 80 | Φ159×6 | |
| MGP-Ⅱ | 21.48 | 2700 | 529 | 1750 | 25 | 80 | Φ22×3 | Φ108×6 |
| MGP-Ⅲ | 34.23 | 4000 | 529 | 2400 | 25 | 80 | Φ22×3 | Φ108×6 |





